sunbet申愽官网
网站首页
sunbet申愽官网
公司简介
部门架构
领导成员
部室任命
工作总结
公司荣誉
企业文化
党的建设
党建工作
党风廉政
群团工作
中共第二十次代表大会
精神文明
新闻中心
集团新闻
行业动态
行业规范
集团业务
服务区管理
收费运营
重点项目建设
机电管理
养护管理
分子公司动态
公示公告
公示公告
招标计划公告
安全生产
网站首页
公示公告
>
公示公告
公示公告
公示公告
招标计划公告
详细内容
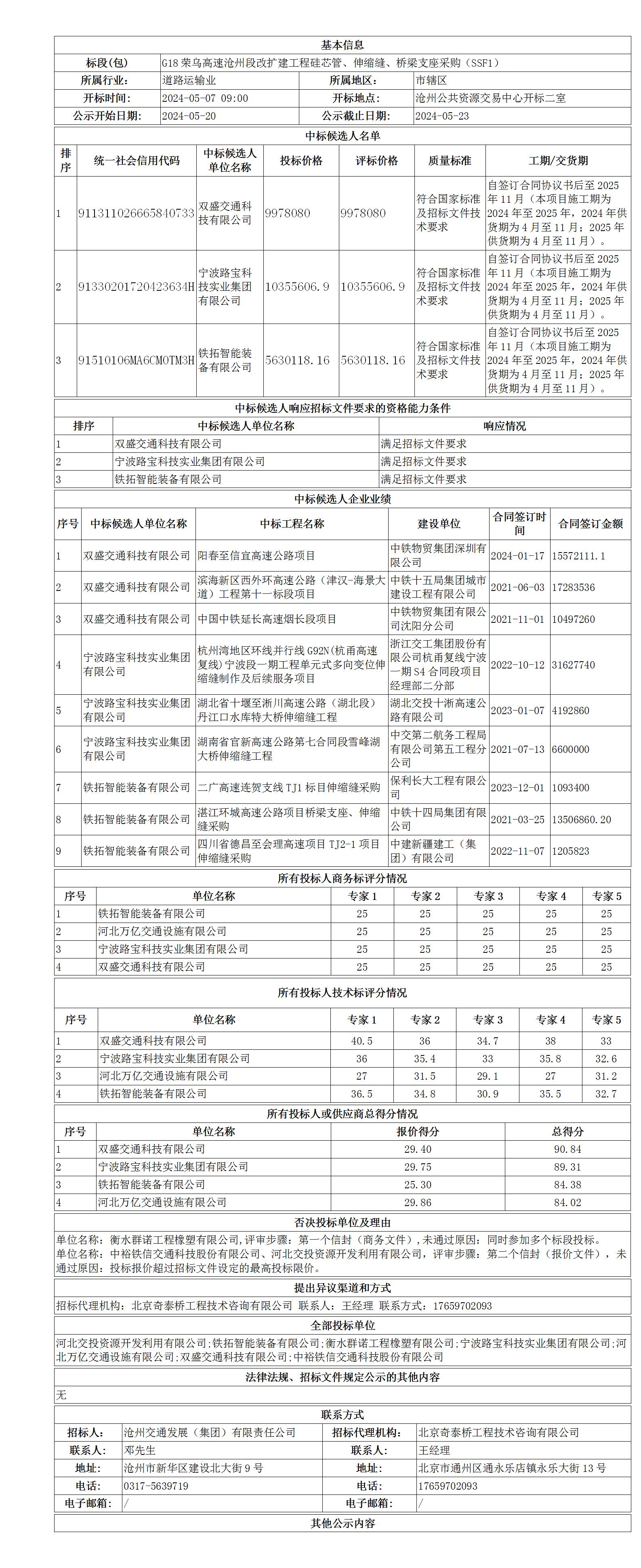
G18荣乌高速沧州段改扩建工程硅芯管、伸缩缝、桥梁支座采购(SSF1)中标候选人公示